021-51699285
首页
关于我们
公司简介
关于品牌
荣誉资质
产品中心
60-400W二级行星减速电机
60-200W二级行星减速电机
60-100W一级行星减速电机
60-100W二级行星减速电机
60-100W二级方法兰行星减速电机
60-40W二级行星减速电机
50-75W二级行星减速电机
新闻中心
公司新闻
行业动态
联系我们
产品展示
PWB800系列无功补偿控制器
首页
/
产品中心
/
PWB800系列无功补偿控制器
PD810系列电力网络仪表
800H系列智能电力仪表
800G系列智能电力仪表
MC800系列低压智能电动机保护
800系列电力变送器
PWB800系列无功补偿控制器
NY3000变电站综合自动化系统
产品标题:PWB800系列无功补偿控制器
产品ID:
VIB20090713195926734
品 牌:
纳宇电气
所在地:中国 上海
价 格:面议 (大量采购价格面议)
库存状态:
货期待查
更新日期:2025-11-3 3:51:16
咨询电话:(+86)021-51699285
咨询Q Q:
2695337323
产品简述
产品简介
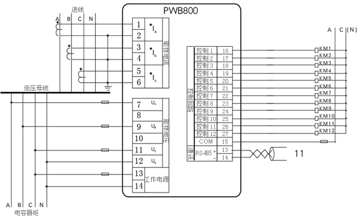
PWB800电容补偿控制器适用于400V供电系统,可以控制12组电容器,实现功率因数自动补偿控制,还具备电气监测、远程通讯功能。适合组成配电自动化监控系统。
产品详情
外形尺寸及安装
典型接线图
产品型号
单作用短行程气AEVC-100-25-A-P
双作用短行程气ADVC-100-10-I-P-A
双作用短行程气ADVC-100-15-I-P-A
双作用短行程气ADVC-100-20-I-P-A
双作用短行程气 ADVC-100-25-I-P-A
双作用短行程气ADVC-100-10-I-P
双作用短行程气ADVC-100-15-I-P
双作用短行程气ADVC-100-20-I-P
双作用短行程气ADVC-100-25-I-P
双作用短行程气ADVC-100-10-A-P-A
双作用短行程气 ADVC-100-15-A-P-A
双作用短行程气 ADVC-100-20-A-P-A
双作用短行程气ADVC-100-25-A-P-A
双作用短行程气ADVC-100-10-A-P
前一页
WATSND-1600/1600 4CBR (NS-H) 手动 WATSN-100-630系列产品 手动
后一页
WATSND-1600/1600 4CBR (NS-H) 手动 WATSN-100-630系列产品 手动
产品中心
更多产品
MORE+
PWB800系列无功补偿控制器
双作用气缸 DSEU-16-100-P-A
双作用气缸 DSEU-16-125-P-A
双作用气缸 DSEU-16-160-P-A
双作用气缸 DSEU-16-200-P-A
电话:
021-51699285
传真:
021-51698592
手机:
13611905823
地址:上海市宝山区恒高路127弄6号楼2202室
首 页
关于我们
公司简介
品牌介绍
企业荣誉
产品中心
60-400W二级行星减速电机
60-200W二级行星减速电机
60-100W一级行星减速电机
60-100W二级行星减速电机
60-100W二级方法兰行星减速电机
60-40W二级行星减速电机
50-75W二级行星减速电机
新闻中心
公司新闻
行业动态
联系我们