产品展示
JSS-13时间继电器
首页 / 产品中心 / 时间继电器
产品标题:JSS-13时间继电器
产品ID:VIB20100303152554734
品  牌:上继
所在地:中国 上海
价  格:面议 (大量采购价格面议)
库存状态:货期待查
更新日期:2025-9-11 10:26:22
咨询电话:(+86)021-51699285
咨询Q Q: 2695337323
产品简述

JSS-13时间继电器

产品详情

JSS系列时间继电器 
 
一、用途
   JSS系列时间继电器用于电力系统继电保护、控制回路或工业控制的直流、交流电路中作为延时控制元件之用。尤其适用于时间测量精度要求高,配合时间级差小的场合。 
 
二、产品型号
1.型号含义 
 
2.产品型号及分类规格对照表 
 
三、工作原理 
 
继电器原理框图见图1。
 
 
 图1   JSS    系列时间继电器原理框图 
 
    本继电器为静态型数字式时间继电器,采用进口CMOS集成电路构成,利用分频、计数原理实现延时。标准时钟脉冲由石英晶体振荡器产生。
    继电器一旦施加额定电压,内部瞬动继电器动作并出口,同时使晶体起振,产生时钟脉冲,经分频后计数器计数,当所计脉冲数达到延时整定值时,触发器翻转,驱动执行继电器动作出口。 
 
四、使用方法
    1.动作时间整定同由独立的两组三位8421码拨盘开关和一位DIP五档小开关相互配合而成,其整定公式为:t=kT(s)(其中k为DIP五档小开关的整定系数,T为拨盘开关的整定数字)。例如:k为0.01,T为357,则整定时间为0.01×357=3.57(s)。 
 
    2.由于本产品延时精确,最小延时整定值为20ms,因而希望控制本产品输入激励量的触点无抖动,如使用于输入激励量有抖动的场合,用户须提出特殊订货要求。
五、主要技术参数 
 
    1.动作电压
      a) 输入为直流时,继电器的动作电压为(60%-70%)额定值,小于50%额定值可靠不动作; 
 
      b) 输入为交流时,继电器的动作电压为(60%-80%)额定值,小于50%额定值可靠不动作。
    2.返回电压 
 
      a) 输入为直流时,继电器的返回电压应不小于10%额定值;
      b) 输入为交流时,继电器的返回电压应不小于15%额定值; 
 
    3.延时一致性在基准条件下:
      a) 输入为直流时,一致性不大于(0.1%整定值+3ms); 
 
      b) 输入为交流时,一致性不大于(0.1%整定值+10ms)。
    4.延时整定误差在基准条件下: 
 
      a) 输入为直流时,整定误差不大于(0.1%整定值+3ms);
      b) 输入为交流时,整定误差不大于(0.1%整定值+10ms)。 
 
    5.返回时间误差
     在基准条件下: 
 
      a) 输入为直流时,返回时间不大于20ms;
      b) 输入为交流时,返回时间不大于25ms。 
 
    6.功耗在额定电压下,继电器功率消耗不大于10W。
    7.触点性能 
 
    在电压不超过250V,电流不超过1A,时间常数为5ms±0.75ms直流电路中,断开容量为30W;在电压不超过250V,电流不超过5A,功率因数为cosφ=0.4±0.1的交流电路中,断开容量为250VA。继电器的电寿命为104次。
    8.工作条件 
 
      a) 使用地点不允许有爆 炸危险的介质,周围介质中不含有腐蚀金属和破坏绝缘的气体及导电介质,不允许充满水蒸汽和有较严重的霉菌存在;
      b) 使用地点不允许有较强的振动和冲击; 
 
      c) 使用地点应具有防御雨、雪、风、沙的设施;
      d) 使用地点不允许超过1.5mT的外磁感应强度。 
 
    9.介质强度
    继电器各导电路对外露的非带电金属部分及外壳之间,应能承受2kV (有效值)输入电路对触点之间应能承受1kV(有效值),50Hz的交流试验电压,历时1min试验,而无绝缘击穿及闪络现象。 
 
    10.抗干扰性能
    继电器应能承受频率为1MHz衰减震荡波,第一个半波电压幅值共模为2.5kV,差模为1kV的试验电压,继电器不应误动或拒动。 
 
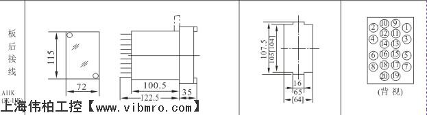
六、继电器背后接线图
                                                                        七、继电器外形尺寸及安装开孔尺寸 
 
    JSS-11A、JSS-12A、JSS-13、JSS-14:嵌入插拔式外形及开孔尺寸
 
 
                                     JSS-15、JSS-16:凸出插拔式外形及开孔尺寸
 
 
JSS-17、JSS-18、JSS-19、JSS-24:凸出固定式外形及开孔尺寸